| Количество: | |
|---|---|
DP-816
Winston
Winston DP-812 Series 500A -1500 / 5A Split Core Трансформатор тока
Описание:
Трансформатор тока серии DP был специально разработан, чтобы облегчить их установку
в новых или уже существующих сетевых работах. Они могут быть установлены без вскрытия кабеля или
Шинная цепь. Подключение обычных ТТ обычно требует прерывания
ток первичной стороны для пропускания кабелей или шин через сердечник трансформатора для подключения таких
кабели к первичным клеммам.
Характерная черта:
Два способа установки: Панель / Шина.
Широкое внутреннее окно, позволяющее зажимать большие кабели или шины
Широкий диапазон размеров для размещения всей существующей установки
Первичный ток от 5А до 5000А
Характеристики:
| По рейтингу частоты | 50 Гц / 60 Гц |
| Номинальное испытательное напряжение | 3 кВ переменного тока (1 мин) |
| Номинальный кратковременный тепловой ток (лт) | 60in |
| Номинальный динамический ток (лдын) | 2.5lth |
| Номинальное напряжение (Um) | 0,72 кВ переменного тока |
| Непрерывная перегрузка (ld) | 1.2In |
| Рабочая Температура | -10 ° С ~ 50 ° С |
| Корпус самозатухающего класса | В.О. |
| Фактор безопасности | FS 5 |
| Вторичный ток | 5A / 1A |
Техническое описание серии DP-816:
| Тип / модель | Ток течения A) | Номинальная мощность (ВА) | |
| Класс: 0.5 | Класс: 1.0 | ||
| DP-816 | 1000/5 | 5 | 10 |
| DP-816 | 1500/5 | 7.5 | 10 |
| DP-816 | 2000/5 | 10 | 15 |
| DP-816 | 2500/5 | 15 | 20 |
| DP-816 | 3000/5 | 20 | 25 |
| DP-816 | 400/5 | 20 | 25 |
| DP-816 | 5000/5 | 20 | 25 |
| DP-816 | 6000/5 | 20 | 25 |
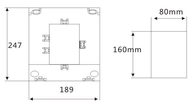
Размеры:
Упаковка & Доставка:

Winston DP-812 Series 500A -1500 / 5A Split Core Трансформатор тока
Описание:
Трансформатор тока серии DP был специально разработан, чтобы облегчить их установку
в новых или уже существующих сетевых работах. Они могут быть установлены без вскрытия кабеля или
Шинная цепь. Подключение обычных ТТ обычно требует прерывания
ток первичной стороны для пропускания кабелей или шин через сердечник трансформатора для подключения таких
кабели к первичным клеммам.
Характерная черта:
Два способа установки: Панель / Шина.
Широкое внутреннее окно, позволяющее зажимать большие кабели или шины
Широкий диапазон размеров для размещения всей существующей установки
Первичный ток от 5А до 5000А
Характеристики:
| По рейтингу частоты | 50 Гц / 60 Гц |
| Номинальное испытательное напряжение | 3 кВ переменного тока (1 мин) |
| Номинальный кратковременный тепловой ток (лт) | 60in |
| Номинальный динамический ток (лдын) | 2.5lth |
| Номинальное напряжение (Um) | 0,72 кВ переменного тока |
| Непрерывная перегрузка (ld) | 1.2In |
| Рабочая Температура | -10 ° С ~ 50 ° С |
| Корпус самозатухающего класса | В.О. |
| Фактор безопасности | FS 5 |
| Вторичный ток | 5A / 1A |
Техническое описание серии DP-816:
| Тип / модель | Ток течения A) | Номинальная мощность (ВА) | |
| Класс: 0.5 | Класс: 1.0 | ||
| DP-816 | 1000/5 | 5 | 10 |
| DP-816 | 1500/5 | 7.5 | 10 |
| DP-816 | 2000/5 | 10 | 15 |
| DP-816 | 2500/5 | 15 | 20 |
| DP-816 | 3000/5 | 20 | 25 |
| DP-816 | 400/5 | 20 | 25 |
| DP-816 | 5000/5 | 20 | 25 |
| DP-816 | 6000/5 | 20 | 25 |
Размеры:
Упаковка & Доставка:
