| Количество: | |
|---|---|
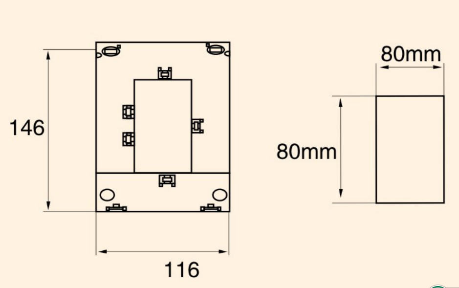
DP-88
Winston
Высокая надежность и простота монтажа трансформатора тока CTS DP-88
Описание
Трансформатор тока серии DP был специально разработан для облегчения их установки в новых или уже существующих сетях. Они могут быть установлены без размыкания каких-либо кабелей или цепей шин. Для подключения обычных трансформаторов тока обычно требуется отключение тока первичной стороны для пропускания кабелей или шин через сердечник трансформатора для подключения таких кабелей к первичным клеммам.
особенности
Два способа установки: Панель / Шина.
Широкое внутреннее окно, позволяющее зажимать большие кабели или шины
Широкий диапазон размеров для размещения всей существующей установки
Первичный ток от 5А до 5000А
Характеристики
| По рейтингу частоты | 50 Гц / 60 Гц |
| Номинальное испытательное напряжение | 3 кВ переменного тока (1 мин) |
| Номинальный кратковременный тепловой ток (лт) | 60in |
| Номинальный динамический ток (лдын) | 2.5lth |
| Номинальное напряжение (Um) | 0,72 кВ переменного тока |
| Непрерывная перегрузка (ld) | 1.2In |
| Рабочая Температура | -10 ° С ~ 50 ° С |
| Корпус самозатухающего класса | В.О. |
Технические характеристики
| Тип | Рацион (А) | Номинальная мощность (ВА) | |
| Класс: 0.5 | Класс: 1.0 | ||
| DP-88 | 250/5 | - | 1.5 |
| DP-88 | 300/5 | - | 1.5 |
| DP-88 | 400/5 | - | 2.5 |
| DP-88 | 500/5 | 1.5 | 2.5 |
| DP-88 | 600/5 | 1.5 | 2.5 |
| DP-88 | 750/5 | 2.5 | 5 |
| DP-88 | 800/5 | 3.75 | 5 |
| DP-88 | 1000/5 | 7.5 | 7.5 |
![]() | |||
информация о продукте
Упаковка и доставка
Высокая надежность и простота монтажа трансформатора тока CTS DP-88
Описание
Трансформатор тока серии DP был специально разработан для облегчения их установки в новых или уже существующих сетях. Они могут быть установлены без размыкания каких-либо кабелей или цепей шин. Для подключения обычных трансформаторов тока обычно требуется отключение тока первичной стороны для пропускания кабелей или шин через сердечник трансформатора для подключения таких кабелей к первичным клеммам.
особенности
Два способа установки: Панель / Шина.
Широкое внутреннее окно, позволяющее зажимать большие кабели или шины
Широкий диапазон размеров для размещения всей существующей установки
Первичный ток от 5А до 5000А
Характеристики
| По рейтингу частоты | 50 Гц / 60 Гц |
| Номинальное испытательное напряжение | 3 кВ переменного тока (1 мин) |
| Номинальный кратковременный тепловой ток (лт) | 60in |
| Номинальный динамический ток (лдын) | 2.5lth |
| Номинальное напряжение (Um) | 0,72 кВ переменного тока |
| Непрерывная перегрузка (ld) | 1.2In |
| Рабочая Температура | -10 ° С ~ 50 ° С |
| Корпус самозатухающего класса | В.О. |
Технические характеристики
| Тип | Рацион (А) | Номинальная мощность (ВА) | |
| Класс: 0.5 | Класс: 1.0 | ||
| DP-88 | 250/5 | - | 1.5 |
| DP-88 | 300/5 | - | 1.5 |
| DP-88 | 400/5 | - | 2.5 |
| DP-88 | 500/5 | 1.5 | 2.5 |
| DP-88 | 600/5 | 1.5 | 2.5 |
| DP-88 | 750/5 | 2.5 | 5 |
| DP-88 | 800/5 | 3.75 | 5 |
| DP-88 | 1000/5 | 7.5 | 7.5 |
![]() | |||
информация о продукте
Упаковка и доставка