| Количество: | |
|---|---|
УДК-18GM-400-3E3
Winston
Характерная черта
Ультразвуковая система для надежного определения отсутствия, одного или двух перекрывающихся листовых материалов, предпочтительно бумаги
Не требуется обучение
Функциональные индикаторы видны со всех сторон
Нечувствителен к печати, цветам и блестящим поверхностям
Вес материала от 10 г / м 2 до более 2000 г / м 2
Очень широкий спектр материалов, тончайшая бумага вплоть до тонких листовых металлов, а также пластиковая и металлическая фольга
Возможна установка датчика перпендикулярно или наклонно относительно плоскости листа
программируемый
Описание функций датчика
Ультразвуковой двухслойный монитор используется для обнаружения двойных листов во всех ситуациях, когда происходит автоматическое различие между сомнениями.Для защиты машин или предотвращения образования отходов требуются отдельные и отдельные листы. Монитор с двумя листами основан насквозной лучевой принцип. Может быть обнаружено следующее:
- Нет листа, то есть воздуха,
- Индивидуальный лист
- двойной лист
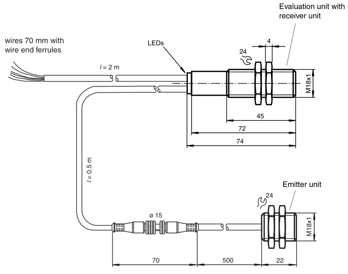
Микропроцессорная система оценивает сигналы. Соответствующие выходы переключателя устанавливаются в результате оценки. Изменения в утратакие условия, как температура и влажность, компенсируются автоматически. Электроника интерфейса интегрирована вкомпактный металлический корпус M18 вместе с сенсорной головкой.
Включение
Датчик оснащен 6 разъемами. Функциональность соединений описана в следующей таблице. Функция ввода
(PK) используется для назначения параметров сенсору. (См. Расширение выходного импульса, Помощь по выравниванию и Выбор программы). Во время нормального
При работе вход функции всегда должен быть надежно соединен с + U B или -U B, чтобы избежать возможных помех или неправильной работы.
| Цвет | Включение | Комментарии |
| BN | + U B | |
| WH | Переключите выход для отдельных листов | Ширина импульса соответствует событию |
| BK | Переключите выход для двойных листов | Ширина импульса соответствует событию |
| GY | Переключите выход для воздуха | Ширина импульса соответствует событию |
| PK | -U B / + U B | Функциональный вход для назначения параметров / продление импульса |
| BU | -UB |
Нормальный режим
Датчик работает в нормальном режиме, если функциональный вход (PK) подключен к -U B или + U B, когда источник питания (питание включено),
как показано в таблице расширения выходного импульса (см. ниже).
Вывод:
Желтый светодиод: обнаружение воздуха
Зеленый светодиод: обнаружение отдельных листов
Красный светодиод: обнаружение двойных листов
Переключите выходы:
Выходы переключателя активны только в нормальном режиме!
Белый: WH Вывод на один лист
Черный: BK Двойной вывод
Серый: GY Выход воздуха
Порядок назначения параметров
Из режима отображения можно переключиться на дополнительные режимы ввода параметров:
Режим выравнивания ->
Режим выбора программы ->
Режим помощи выравнивания -> (для проверки)
Когда функциональный вход (PK) применяется к -U B (в течение> 500 мс), режим изменяется. Когда режим \"Выбор программы \" активен, переключите
Выбор функции входа (PK) и + U B (для> 500 мс) выбирает следующий уровень программы.
Отключение питания приводит к выходу системы из текущего режима с выбранным изменением программы.
Выходы переключателя не активны, пока параметры присваиваются датчику!
Режимы
Контроль амплитуды
Во время установки можно использовать контроль амплитуды для проверки достаточности амплитуды ультразвука на приемнике. Если передатчик не выровнен должным образом относительно приемника, максимальная звуковая энергия не передается на приемник, что может привести к неправильному обнаружению материалов.
Когда датчик обнаруживает область воздуха (горит желтый светодиод), УДК начинает отображать силу измеренного сигнала амплитуды:
- если сигнал слабый, желтый светодиод мигает с низкой частотой
- частота мигания увеличивается в соответствии с силой сигнала
- желтый светодиод горит постоянно, когда уровень сигнала достаточный.
Теперь функция «Один лист» (зеленый светодиод) и функция «двойной лист» (красный светодиод) активны. Это можно использовать для проверки правильности
функция датчика.
Выбор программы
В режиме выбора программы текущая программа отображается зеленым светодиодом (количество мигающих импульсов = номер программы).
Применение входа регулировки (PK) к + U B (в течение> 500 мс) приводит к тому, что следующая программа выбирается в циклической последовательности (программа 1 следует программе 4).
Характерная черта
Ультразвуковая система для надежного определения отсутствия, одного или двух перекрывающихся листовых материалов, предпочтительно бумаги
Не требуется обучение
Функциональные индикаторы видны со всех сторон
Нечувствителен к печати, цветам и блестящим поверхностям
Вес материала от 10 г / м 2 до более 2000 г / м 2
Очень широкий спектр материалов, тончайшая бумага вплоть до тонких листовых металлов, а также пластиковая и металлическая фольга
Возможна установка датчика перпендикулярно или наклонно относительно плоскости листа
программируемый
Описание функций датчика
Ультразвуковой двухслойный монитор используется для обнаружения двойных листов во всех ситуациях, когда происходит автоматическое различие между сомнениями.Для защиты машин или предотвращения образования отходов требуются отдельные и отдельные листы. Монитор с двумя листами основан насквозной лучевой принцип. Может быть обнаружено следующее:
- Нет листа, то есть воздуха,
- Индивидуальный лист
- двойной лист
Микропроцессорная система оценивает сигналы. Соответствующие выходы переключателя устанавливаются в результате оценки. Изменения в утратакие условия, как температура и влажность, компенсируются автоматически. Электроника интерфейса интегрирована вкомпактный металлический корпус M18 вместе с сенсорной головкой.
Включение
Датчик оснащен 6 разъемами. Функциональность соединений описана в следующей таблице. Функция ввода
(PK) используется для назначения параметров сенсору. (См. Расширение выходного импульса, Помощь по выравниванию и Выбор программы). Во время нормального
При работе вход функции всегда должен быть надежно соединен с + U B или -U B, чтобы избежать возможных помех или неправильной работы.
| Цвет | Включение | Комментарии |
| BN | + U B | |
| WH | Переключите выход для отдельных листов | Ширина импульса соответствует событию |
| BK | Переключите выход для двойных листов | Ширина импульса соответствует событию |
| GY | Переключите выход для воздуха | Ширина импульса соответствует событию |
| PK | -U B / + U B | Функциональный вход для назначения параметров / продление импульса |
| BU | -UB |
Нормальный режим
Датчик работает в нормальном режиме, если функциональный вход (PK) подключен к -U B или + U B, когда источник питания (питание включено),
как показано в таблице расширения выходного импульса (см. ниже).
Вывод:
Желтый светодиод: обнаружение воздуха
Зеленый светодиод: обнаружение отдельных листов
Красный светодиод: обнаружение двойных листов
Переключите выходы:
Выходы переключателя активны только в нормальном режиме!
Белый: WH Вывод на один лист
Черный: BK Двойной вывод
Серый: GY Выход воздуха
Порядок назначения параметров
Из режима отображения можно переключиться на дополнительные режимы ввода параметров:
Режим выравнивания ->
Режим выбора программы ->
Режим помощи выравнивания -> (для проверки)
Когда функциональный вход (PK) применяется к -U B (в течение> 500 мс), режим изменяется. Когда режим \"Выбор программы \" активен, переключите
Выбор функции входа (PK) и + U B (для> 500 мс) выбирает следующий уровень программы.
Отключение питания приводит к выходу системы из текущего режима с выбранным изменением программы.
Выходы переключателя не активны, пока параметры присваиваются датчику!
Режимы
Контроль амплитуды
Во время установки можно использовать контроль амплитуды для проверки достаточности амплитуды ультразвука на приемнике. Если передатчик не выровнен должным образом относительно приемника, максимальная звуковая энергия не передается на приемник, что может привести к неправильному обнаружению материалов.
Когда датчик обнаруживает область воздуха (горит желтый светодиод), УДК начинает отображать силу измеренного сигнала амплитуды:
- если сигнал слабый, желтый светодиод мигает с низкой частотой
- частота мигания увеличивается в соответствии с силой сигнала
- желтый светодиод горит постоянно, когда уровень сигнала достаточный.
Теперь функция «Один лист» (зеленый светодиод) и функция «двойной лист» (красный светодиод) активны. Это можно использовать для проверки правильности
функция датчика.
Выбор программы
В режиме выбора программы текущая программа отображается зеленым светодиодом (количество мигающих импульсов = номер программы).
Применение входа регулировки (PK) к + U B (в течение> 500 мс) приводит к тому, что следующая программа выбирается в циклической последовательности (программа 1 следует программе 4).
Диаграммы
измерение
Дополнительная информация
соединение
Диаграммы
измерение
Дополнительная информация
соединение