| Количество: | |
|---|---|
XM30-3010PMI; XM30-3010PMU; XM30-3015PMI; XM30-3015PMU
Winston/OEM
9033000090
XM30 Индуктивный датчик линейного перемещения
Принцип работы:
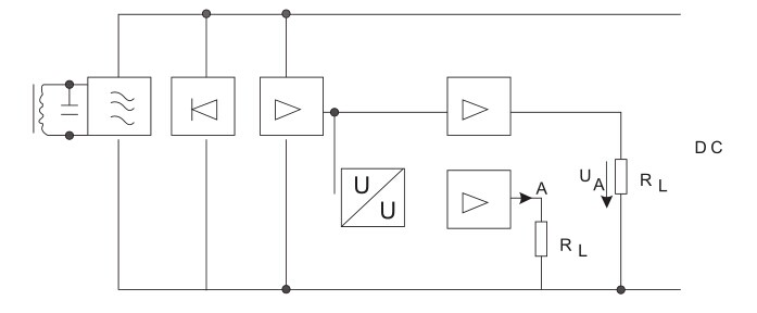
1. Индуктивный бесконтактный переключатель с аналоговым выходом величины имеет аналогичный принцип работы с общим индуктивным бесконтактным переключателем. Энергия осциллятора syst-em
уменьшается, когда металлический объект приближается к индуктивной стороне. Степень снижения энергии указывает расстояние между металлическим объектом и датчиком.
Потребление энергии преобразуется в измерительный знак в дополнительном устройстве и увеличивается с помощью линейной обработки (рис. 5). Предоставляется стандартный аналог.
2. сигнал на выходной клемме (0 ~ 5 В или 4-20 мА ...)
Принцип работы индуктивного проксимального переключателя с аналоговой величиной
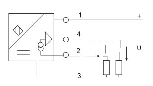
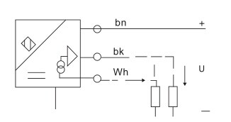
Установка и подключение:
| вывод с соединительной клеммой | вывести с проводником |
![]() | ![]() |
| Примечание: цвет базовой линии BN = коричневый, BK = черный, BU = синий и YE = желтый | |
Модельное объяснение бесконтактного выключателя:
1. переключить категорию: LM: тип индуктивности CM: тип емкости SM: тип зала AM: безопасный взрывозащищенный тип XM: мини линейный тип HM: тип Рид RU: Ультразвуковой тип | 5. Выходная форма: N: трехпроводной выход NPN постоянного тока P: трехпроводной выход PNP постоянного тока L: двухпроводной выход постоянного тока : Двухпроводной выход переменного тока J: релейный контакт NP: NPN + PNP двойной выход |
2. Внешний вид кода: C: тип цилиндра; F: тип угловой колонны и тип установки в плоскости) | 6. Выходное состояние: A: нормально открытый (НЕТ) B: нормально открытый (НЗ) C: нормально открытый (NO) + нормально закрытый (NC) MU: Мимическое напряжение MI: Мимическое напряжение MUI: напряжение и ток двойной выход |
3. Рабочее напряжение: 30: 6 ~ 36 В постоянного тока 310: 5 ~ 24 В постоянного тока 320: 12 ~ 60 В постоянного тока 330: 10 ~ 30 В постоянного тока 340: 10 ~ 55 В постоянного тока 350: 10 ~ 60 В постоянного тока 360: 5 ~ 36 В постоянного тока 20: 90 ~ 250 В переменного тока 210: 24 ~ 250 В переменного тока 220: 380 В переменного тока 40: 12 ~ 240 В постоянного тока / 24 ~ 240 В переменного тока 50: специальное напряжение | 7.Subsidiart функции: T: с авиационным разъемом Y: доказательство воды, доказательство масла Я: Особые требования H: высокая термостойкость R: тип кольца |
Расстояние 4.Detection: 01: 1мм 05: 5мм 10: 10 мм ...... | 8. большое расстояние L: большое расстояние |
XM30 Индуктивный датчик линейного перемещения
Принцип работы:
1. Индуктивный бесконтактный переключатель с аналоговым выходом величины имеет аналогичный принцип работы с общим индуктивным бесконтактным переключателем. Энергия осциллятора syst-em
уменьшается, когда металлический объект приближается к индуктивной стороне. Степень снижения энергии указывает расстояние между металлическим объектом и датчиком.
Потребление энергии преобразуется в измерительный знак в дополнительном устройстве и увеличивается с помощью линейной обработки (рис. 5). Предоставляется стандартный аналог.
2. сигнал на выходной клемме (0 ~ 5 В или 4-20 мА ...)
Принцип работы индуктивного проксимального переключателя с аналоговой величиной
Установка и подключение:
| вывод с соединительной клеммой | вывести с проводником |
![]() | ![]() |
| Примечание: цвет базовой линии BN = коричневый, BK = черный, BU = синий и YE = желтый | |
Модельное объяснение бесконтактного выключателя:
1. переключить категорию: LM: тип индуктивности CM: тип емкости SM: тип зала AM: безопасный взрывозащищенный тип XM: мини линейный тип HM: тип Рид RU: Ультразвуковой тип | 5. Выходная форма: N: трехпроводной выход NPN постоянного тока P: трехпроводной выход PNP постоянного тока L: двухпроводной выход постоянного тока : Двухпроводной выход переменного тока J: релейный контакт NP: NPN + PNP двойной выход |
2. Внешний вид кода: C: тип цилиндра; F: тип угловой колонны и тип установки в плоскости) | 6. Выходное состояние: A: нормально открытый (НЕТ) B: нормально открытый (НЗ) C: нормально открытый (NO) + нормально закрытый (NC) MU: Мимическое напряжение MI: Мимическое напряжение MUI: напряжение и ток двойной выход |
3. Рабочее напряжение: 30: 6 ~ 36 В постоянного тока 310: 5 ~ 24 В постоянного тока 320: 12 ~ 60 В постоянного тока 330: 10 ~ 30 В постоянного тока 340: 10 ~ 55 В постоянного тока 350: 10 ~ 60 В постоянного тока 360: 5 ~ 36 В постоянного тока 20: 90 ~ 250 В переменного тока 210: 24 ~ 250 В переменного тока 220: 380 В переменного тока 40: 12 ~ 240 В постоянного тока / 24 ~ 240 В переменного тока 50: специальное напряжение | 7.Subsidiart функции: T: с авиационным разъемом Y: доказательство воды, доказательство масла Я: Особые требования H: высокая термостойкость R: тип кольца |
Расстояние 4.Detection: 01: 1мм 05: 5мм 10: 10 мм ...... | 8. большое расстояние L: большое расстояние |
| Габаритные размеры | | ||
| Обнаруживаемый объект | металл | ||
| Расстояние обнаружения | Тип притока: 10 мм | Non-Flush: 15 мм | |
| Модель доступна | Текущий тип | XM30-3010PMI | XM30-3015PMI |
| Тип напряжения | XM30-3010PMU | XM30-3015PMU | |
| Диапазон напряжения | 15-30VDC | ||
| во время обнаружения | ≤200mA ... <4mA | ||
| потребление | во время не обнаружения | ≤20mA | |
| Сопротивление нагрузки | Текущий тип | 0 ~ 300Ω | |
| Тип напряжения | ≥2.2KΩ | ||
| Вывод | Текущий тип | 4 ~ 20 мА | |
| Тип напряжения | 0-5В / О-10V | ||
| Диаграмма выходной характеристики | | ||
| Колебания напряжения | ≤5% | ||
| Выходной сигнал | Симуляция PNP | ||
| Линейное отклонение | ± 5% | ||
| Температура окружающей среды | 一 25 ℃ ~ +70 ℃ | ||
| Материал корпуса | Пластик, металл | ||
| Степень защиты | lp54 | ||
| Габаритные размеры | | ||
| Обнаруживаемый объект | металл | ||
| Расстояние обнаружения | Тип притока: 10 мм | Non-Flush: 15 мм | |
| Модель доступна | Текущий тип | XM30-3010PMI | XM30-3015PMI |
| Тип напряжения | XM30-3010PMU | XM30-3015PMU | |
| Диапазон напряжения | 15-30VDC | ||
| во время обнаружения | ≤200mA ... <4mA | ||
| потребление | во время не обнаружения | ≤20mA | |
| Сопротивление нагрузки | Текущий тип | 0 ~ 300Ω | |
| Тип напряжения | ≥2.2KΩ | ||
| Вывод | Текущий тип | 4 ~ 20 мА | |
| Тип напряжения | 0-5В / О-10V | ||
| Диаграмма выходной характеристики | | ||
| Колебания напряжения | ≤5% | ||
| Выходной сигнал | Симуляция PNP | ||
| Линейное отклонение | ± 5% | ||
| Температура окружающей среды | 一 25 ℃ ~ +70 ℃ | ||
| Материал корпуса | Пластик, металл | ||
| Степень защиты | lp54 | ||